how can explain me why, for 1.8 seconds of PiL simulation with Simulink and STM32F429i, i need 8 hours?
hello,
i’m Antonio and i hope that someone can give me some information about my question _-_.
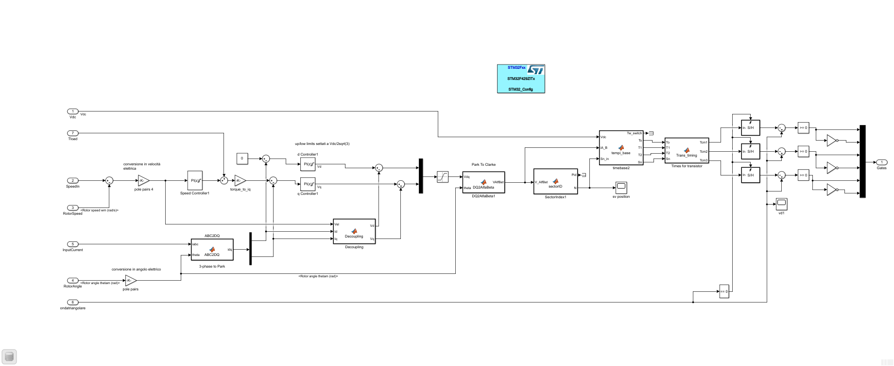
I’ve make a simulink motion control model, and i’ve implemented FOC control+SpaceVector-PWM (i’ve used sin() cos() functions for Park’s transforms) and in pc pure simulation for 1.8 sec Simulation time and fixed step discrete of 1millisec i need about 1minute 30seconds of run.
If i set PiL mode, and follow the instructions of STM32_MAT-TARGET_HandsOn the simulation run, but it need about 8 hours for complete...
i have the STM32F429-disc1 and in STMcubeMx i set the heap size at 0x400, the SYSCLK and HCLK at 180Mhz, transfer speed@ 115200 bauds, and in sys section, i’ve set Debug = Trace Asynchronous SW..
The sw uploaded on the board is only 0,32 Kbytes. why de PiL is very slow? is possible check if is the compute the issue or my settings?
Thanks to all!


